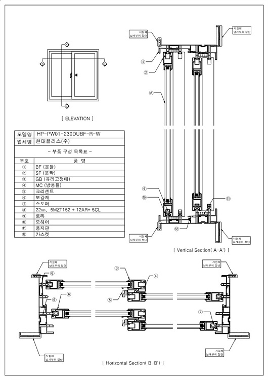
HP-PW01-230DUBF-R-W, 합성수지제창, 230mm > 도면 및 규격서

본문 바로가기
서브 헤더
도면

HP-PW01-230DUBF-R-W, 합성수지제창, 230mm

페이지 정보

profile_image
작성자 현대플러스 댓글 0건 조회 48회 작성일 25-04-07 09:47

본문

HP-PW01-230DUBF-R-W, 합성수지제창, 230mm

댓글목록

등록된 댓글이 없습니다.


현대플러스(주) 대표 우상진 주소 충청남도 논산시 가야곡면 가야공단길 14-23 사업자 등록번호 308-81-23866

전화 1599-7584 팩스 02-458-8185 개인정보관리책임자 우상진

Copyright © 현대플러스 주식회사 All rights reserved.